This program extends the Korg Volca Sample's MIDI functionality. By default the first 10 channels control the sample slots but there is only one channel per sample and without any pitch modification. So it's pretty useless if you want to use a MIDI keyboard. There are already similar projects like this available but I wanted to make my own. Also this uses a self written MIDI library, you have been warned.
- Drum mode: Play all the samples via notes on one channel from C-AS (MIDI channel 16)
- Synth mode: Play one sample with adjusted pitch in a 4 octave range (MIDI channel 1-10)
- Pitch bend works
- Clone/download this repository
- Clone/download the BACH1 library to lib/bach1
- Compile and upload to Arduino Uno (with the default IDE or PlatformIO)
- 2x female MIDI jack
- 1x diode
- 1x optocoupler IC, e.g. the 6N138
- resistors
- 2x 220 Ohm
- 1x 480 Ohm
- 1x 10k Ohm
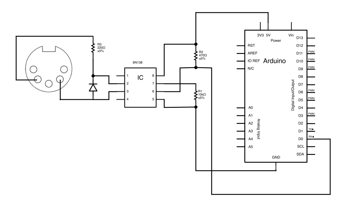
Connect the MIDI input to an optocoupler to prevent ground loops.
The output is simpler: All you need is an 220 Ohm resistor.
- Polyphonic mode
Special thanks to
- Mauricio Maisterrena for the idea and his code.
- amandaghassaei for the MIDI I/O schematics and this instructables page about the Arduino and MIDI.


